主页
同人产品
智慧消防综合管理平台
同人消防应用软件
其他消防应用平台
消防技术服务
解决方案
公司动态
公司动态
新闻资讯
法规标准
法律法规
消防法律
法规规章
政策文件
规范标准
国家标准
行业标准
地方标准
文件下载
火灾案例
国内火灾
国外火灾
案例分析
关于同人
公司简介
同人文化
同人业绩
联系同人
会员登录
账号
密码
登录
取消
内部学习
法律法规
规范标准
文件下载
国家标准
行业标准
地方标准
公司动态
新闻资讯
《山东单位消防安全评估规程》 DB37/T2409-2021
前言
1 范围
2 规范性引用文件
3 术语和定义
4 总则
5 评估流程
5.1 合同签订
5.2 评估准备
5.3 评估实施
5.4 编制报告
5.5 建立档案
6 抽查原则
6.1 人员抽查
6.2 建筑防火抽查
6.3 消防设施设备抽查
7 评估内容
7.1 消防安全合法性
7.2 消防安全管理
7.3 建筑防火
7.4 消防设施
8 评分及结果判定
8.1 一般规定
8.2 直接判定
8.3 综合判定
9 评估报告
附录A(规范性) 现场工作量最低标注表
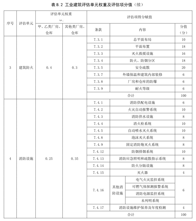
附录B(规范性) 评估单元权重、评估项分值
附录C(规范性) 消防安全评估检查表
附录D(规范性) 单位评估加分项
附录E(资料性) 单位消防安全评估报告
参考文献
附录B(规范性) 评估单元权重、评估项分值
2023-03-15
B.1 消防安全评估单元及消防安全评估综合判定的满分值均为 100 分。B.2 甲、乙、丙类液体、气体储罐区及可燃材料堆场参照工业建筑执行。
B.3 当单位有多个不同类型的建(构)筑物时,应选择火灾危险性最大的建(构)筑物,作为该单位评估单元的权重。
B.4 民用建筑、工业建筑评估单元权重及评估项分值分别见表 B.1、表 B.2。